
Лодочные моторы Yamaha 25BMHS Редуктор anda; привод - оригинальные запчасти, цены, фото и характеристики 
электросхема лодочный мотор - Сайт с секретами 
Редуктор (Вал Гребного Винта) Лодочный мотор Mercury F 40 E EFI Узел Gear Housing, Driveshaft Корпус редуктора (вал гребного винта) Подвесные моторы Mercury 3.5 6202173 AND UP - NWMotors каталог оригинальных запчастей равшана куркова фото для журнала максим
лодочные моторы Mercury Устройство корпуса редуктора и вал гребного винта. - Мир Мото Запчастей Меркурий f60 ltpo чертеж редуктора IMPEX JAPAN - LOWER CASING AND DRIVE для подвесного мотора Yamaha 60F (1994 г., 6H20) Подвесной лодочный мотор Mercury F 50 ELPT EFI лодочные моторы Mercury 1004211DB - Мир Мото Запчастей
Wiring A Gear Motor Also Dc Electric Gear Motors Further Jeep Oil Pressure Sending Unit Location In Addition Limitorque Motor Op Подвесные моторы-Yamaha-75 л/с-75A (2012)-Редуктор, схема 2 лодочные моторы Mercury 1200D83ZY - Мир Мото Запчастей Pictures Of Mercury 200 Optimax Outboard Motor Foto Bugil 2016 лодочные моторы Mariner Механизм переключения редуктора. - Мир Мото Запчастей Оригинальные запчасти. Широкий выбор по низким ценам. Быстрая доставка! СтройПечать: чертежи фото листовки в Вологде А4 до A0, заказ через интернет 
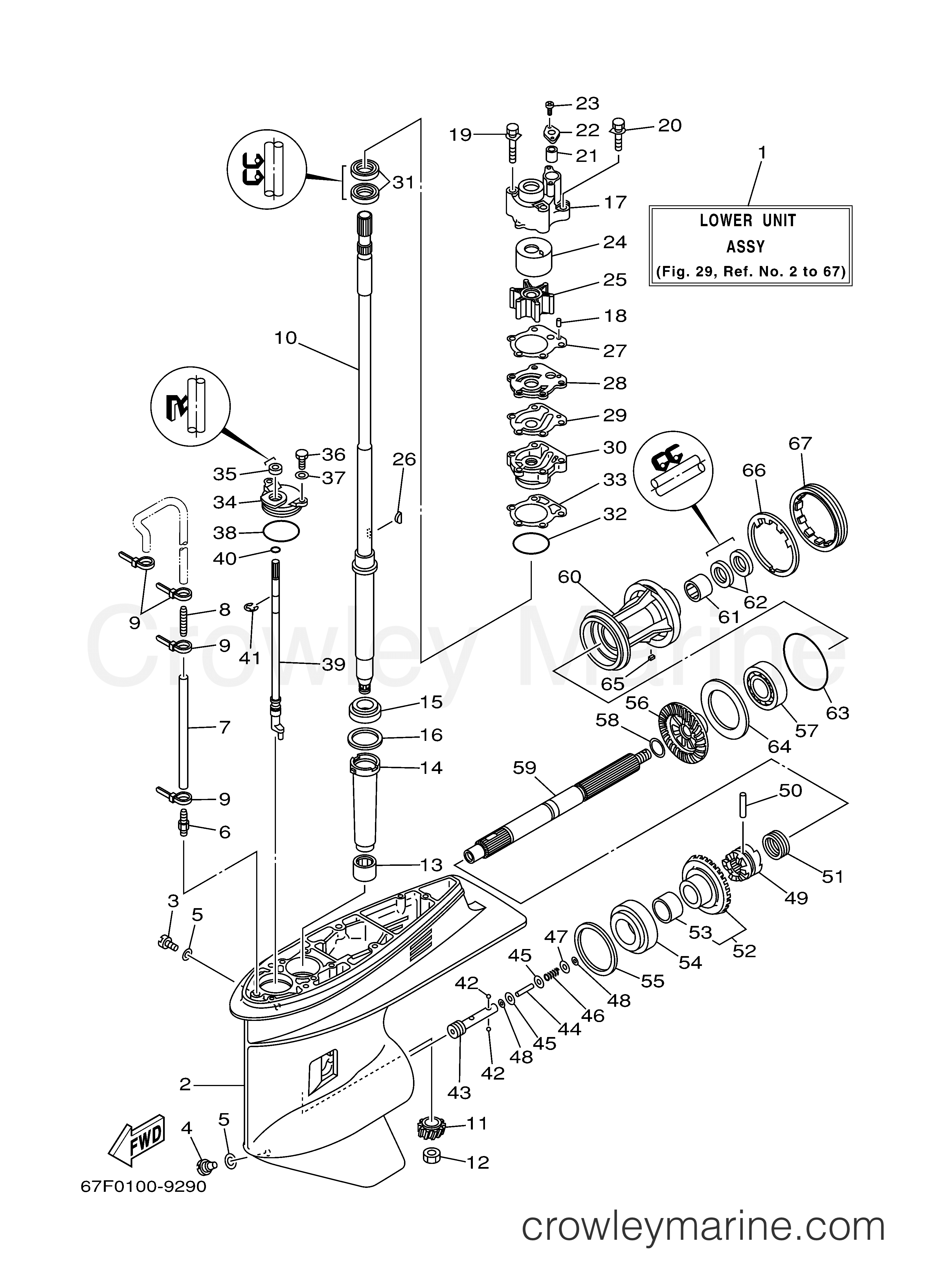
Подвесные моторы-Yamaha-60 л/с-60F (2009)-Редуктор Газовые редукторы различного назначения! Большой выбор! От производителя! 
